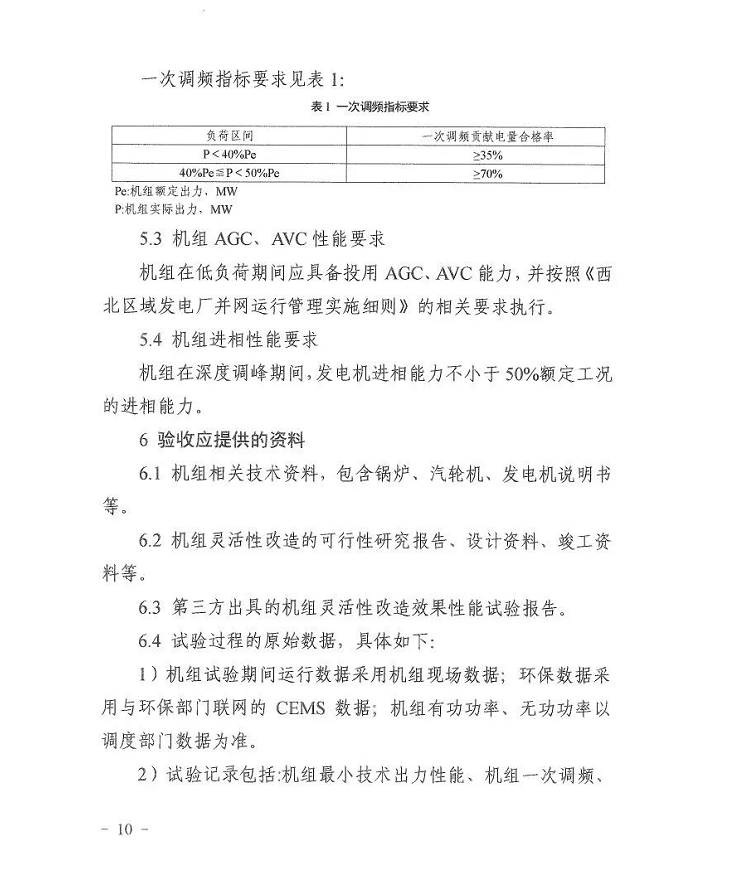
為規范新疆維吾爾自治區煤電機組靈活性改造驗收工作,提升煤電機組靈活性改造質量,根據《國家發展改革委國家能源局關于開展全國煤電機組改造升級的通知》(發改運行〔2021〕1519號)有關要求,6月13日,新疆維吾爾自治區發展改革委印發了《自治區發展改革委關于印發〈新疆維吾爾自治區煤電機組靈活性改造驗收工作規范〉的通知》(新發改規〔2022〕9號)(以下簡稱《規范》),《規范》包括總則、驗收的組織與程序、動態管理、附則等4章共計15條。
驗收工作按照企業自行組織機組試運行、電力調度機構安排機組試驗時間、企業委托第三方機構開展機組性能試驗、國網新疆公司開展效果驗收、驗收認定未達效果及時整改、驗收效果公示等程序開展。自治區電力管理部門、電力調度機構對靈活性改造煤電機組實行動態管理。
實施靈活性改造的煤電機組每年出現3次未達深度調峰要求的,應及時進行整改,對整改后仍無法達到深度調峰要求或拒不整改的,原則上不再安排隸屬企業集團在疆煤電機組靈活性改造項目。













