近期,海西州人民政府辦公室對外發布《海西州“十四五”清潔能源發展規劃》,文件重點提及光熱發電,并指出十四五時期海西州將發揮光熱發電靈活調節、電網支撐和促進新能源消納的優勢,推動成為新的基荷電源和調峰電源。十四五時期,海西州計劃示范性發展光熱發電,示范性擴展光熱發電規模,新增容量55萬kW。規劃新增電源位于海西州光資源情況及建設條件較好的德令哈西出口和格爾木市烏圖美仁。通過示范性發展,形成具有自主知識產權的關鍵核心技術,提升智能裝備制造水平,促進光熱發電成本降低,為大規模發展光熱發電做支撐。
規劃介紹,海西州“十三五”期間已建成的光熱電站總裝機容量為16萬kW,分別為德令哈市的中控德令哈5萬kW塔式光熱電站、中控德令哈1萬kW塔式光熱電站以及中廣核德令哈5萬kW槽式光熱電站,格爾木市的魯能海西格爾木5萬kW塔式光熱電站。
規劃指出,十四五擬將青海海西州打造為國家級新能源基地。建設以大型風電光伏基地為基礎,以海西州、海南州沙漠、戈壁、荒漠地區為重點,以其周邊清潔高效先進節能的火電為支撐,以穩定安全可靠的特高壓輸變電路為載體的新能源供給消納體系,形成以海南、海西千萬千瓦多能互補清潔能源基地為依托,輻射海北州、黃南州的新能源發展格局。創新技術發展模式,示范推進光熱與光伏一體化友好型融合電站。
規劃顯示,海西州綜合考慮內需和外送,規劃“十四五”新增光伏項目1520萬千瓦(投資需求約494億元),其中外送光伏項目800萬千瓦,青海電網消納光伏項目720萬千瓦。新增光熱項目55萬千瓦(投資需求約119億元),其中外送30萬千瓦,青海電網消納25萬千瓦。新增風電830萬千瓦(投資需求約539.5.5億元),其中外送風電項目400萬千瓦,內消風電項目430萬千瓦。主要分布在德令哈、格爾木、茫崖、大柴旦、烏蘭、都蘭、天駿等7個地區。


按照規劃,到2025年,全州清潔能源發電總規模達到3654萬kW,發電量746億kWh。其中:水電裝機容量達到23萬kW,發電量9億kWh;光伏發電裝機容量達到2189萬kW,發電量383億kWh;風電裝機容量達到1371萬kW,發電量329億kWh;光熱發電裝機容量達到71萬kW,發電量25億kWh。
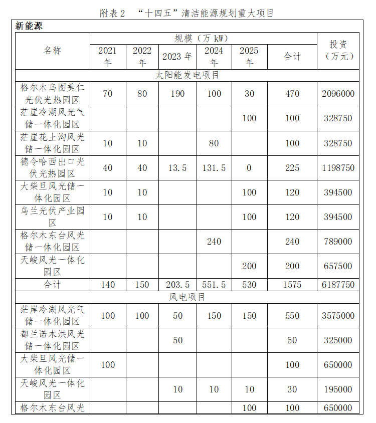
由上圖可見,海西州“十四五”新能源發電重點建設光熱項目包括:德令哈光熱項目25萬kW,格爾木光熱項目30萬kW。
規劃提出,“十四五”時期,將通過技術創新、基地化建設、風光儲多種電源一體化建設、體制機制創新等,進一步降低光伏、光熱、風電發電成本,提升海西州至中東部特高壓直流外送通道落地電價競爭力水平。具體到光熱發電方面,十四五擬依托州內首批光熱電站示范項目建設,組建光熱發電工程技術企業,引進、消化、吸收、創新國外光熱技術,積累工程技術經驗,形成具有自主知識產權的光熱發電技術聯盟。
下為海西州十四五時期重大光熱發電項目開發時序:

下為十四五時期、海西州光熱發電項目所在兩個園區的具體情況:
1、德令哈西出口光伏光熱園區
規劃規模:“十四五”期間推動德令哈西出口光伏光熱園區建設,規劃規劃光熱發電項目25萬kW,主要用于內需。光伏裝機容量200萬kW,其中40萬kW為青豫直流特高壓二期外送光伏項目,其他為平價光伏項目。


場址布局:規劃場址區南距G315國道及懷頭塔拉鎮7.5km,占地面積約為65km2,總體地勢北高南低,現狀為天然牧草地。園區規劃位置示意圖如下。


2、格爾木烏圖美仁光伏光熱園區
規劃規模:“十四五”期間規劃光伏發電容量440萬kW,其中青豫直流特高壓二期外送光伏項目80萬kW、海南州至中東部特高壓外送光伏項目200萬kW。規劃光熱發電示范項目裝機容量30萬kW,為海西州至中東部特高壓外送項目。

場址布局:烏圖美仁場址平坦開闊,總體地勢南高北低,現狀為戈壁荒灘。基地規劃布局示意圖如下。



展望“十五五”及遠期,為實現2030年前二氧化碳排放達到峰值,2060年前實現碳中和的目標,將加快海西州新能源開發,根據青海省相關規劃,2026年~2035年海西州將新增風電2675萬kW、光伏發電4360萬kW、光熱發電170萬kW,按新能源裝機容量的10%配置電化學儲能,新增電化學儲能規模約681億kW。
注:可點擊鏈接查閱通知全文:海西州人民政府辦公室 關于印發《海西州“十四五”清潔能源發展 規劃》的通知
附十四五海西州清潔能源規劃重大項目清單:








