光伏發電發展迅速,其間歇性與波動性使傳統機組頻繁處于深度調峰狀況,借助光熱電站可有效緩解。從光伏光熱發電特性出發,建立了光伏光熱聯合發電模型,并對其接入后的電力系統進行優化。以光伏光熱聯合系統的收益最大以及跟隨負荷能力最大為目標,并采用權重法對目標函數進行處理,可知優化模型滿足光伏光熱電站的主要運行約束與傳統安全約束。IEEE30節點的算例結果證明了該模型的有效性與可行性。
光伏發電(photovoltaic,PV)是太陽能資源的主要利用形式。我國光伏總裝機容量不斷增加,截止2018年底,光伏裝機容量達到1.74億kW,然而由于其間歇性與波動性對電力系統的安全可靠運行帶來諸多問題,全年棄光電量高達54.9kW·h。如何有效減少棄光,提升太陽能能源的消納水平是泛在電力物聯網的一項重要任務。
借助太陽能光熱發電(concentrating solar power,CSP)的儲熱裝置以及具備快速爬坡能力的汽輪機組,可提高光伏光熱聯合發電系統的可控性水平。光伏電站與光熱電站中各電氣信息在泛在電力物聯網中的交互作用,可有效提升太陽能能源的消納水平,進而解決目前電網調節能力不足等一系列問題。
與光伏不同,對光熱的研究起步較晚,目前相關文獻中初步建立了光熱電站模型,并針對光熱接入電力系統的運行、調度及規劃提出了一系列優化方法。文獻給出了光熱電站接收熱量與輸出功率之間關系的泛函數,并引入光伏光熱聯合發電基地的概念,以聯合發電基地接入電網后削減峰谷差以及減少成本為目標,分兩階段進行優化。
文獻分析了光熱電站的光電轉換特性,建立了含儲熱在內的光熱電站調度成本模型,以光熱電站與火電機組經濟最優為目標函數,采用含精英保留策略的標準遺傳算法進行優化過程中的求解。文獻建立了風電-光熱電站聯合發電系統模型,以風電-光熱聯合系統接入電網后的效益最大以及波動性最小為目標進行優化。
文獻綜合考慮了光熱電站儲熱成本與接入系統后,傳統火電機組可能產生深度調峰的成本,對儲熱系統容量的最優配置方法進行了研究。文獻[同樣考慮了光熱電站內部的熱量轉換問題,在以最大化光熱電站收益以及系統運行經濟性最大化為目標進行優化時,兼顧了光熱電站機組啟停熱量的約束。
綜上所述,對于光熱電站模型,更多考慮的是光熱電站內部熱量的轉換關系,或將熱量與電量之間的關系展示為泛函數關系,缺少能量與發電量之間的直接關系。對于光熱電站接入系統后的優化運行及調度研究不夠深入。為此,本文將從建立光伏、光熱輸出功率模型入手,重點討論光熱電站接收熱量與輸出功率之間的聯系,并建立了光伏光熱聯合系統分層優化運行模型。模型以太陽能利用率最大化以及跟隨負荷性能好為目標,通過調用優化求解器Cplex的混合整型線性規劃進行仿真求解,結果證明了該模型的有效性與可行性。
1光伏-光熱聯合發電系統
1.1光伏電站運行機理
大型光伏電站一般由多個供電單元組成,每個供電單元根據型號不同,額定發電容量也不同。各供電單元通過串并聯組成光伏陣列,將經過光電轉換產生的直流電經過二極管匯集到直流母線。其中通過跟蹤控制策略確定發電過程中的最大功率,并通過脈寬調制,經逆變器將直流電變為滿足質量要求的交流電,最終通過變壓器升壓并網。光伏電站輸出功率建模見文獻,文中不再累述。
1.2光熱電站運行機理
根據光熱電站光場中的集熱方式不同,光熱電站通常分為槽式、塔式、碟式與菲涅爾式4種。目前在我國有1座槽式光熱電站以及2座塔式光熱電站已經成功投運運行。
不同類型的光熱電站發電原理相通,都是通過鏡場對太陽能熱量匯集,然后利用匯集的熱量產生高溫高壓水蒸氣,以帶動汽輪機進而發電。
本文以槽式光熱電站為例,將其分為集熱、儲熱與發電三部分。集熱部分主要由鏡場(solarfiled,SF)與其中的導油管構成;儲熱部分(thermal storage,TS)分為熱罐與冷罐;發電部分通過熱力循環(power cycle,PC),由汽輪機進行發電。陽光充足時,鏡場通過匯集太陽熱能,對管中導熱油進行加熱,加熱后的導熱油一部分直接加熱水產生高溫高壓水蒸氣,帶動汽輪機運行,一部分對冷罐中的二元硝酸鹽(binarynitrate,BN)進行加熱,將加熱后的二元硝酸鹽儲存到熱罐中。
陽光不足時,熱罐中的二元硝酸鹽加熱導熱油,后通過油水熱量轉換產生高溫高壓水蒸氣,帶動汽輪機運行,熱罐中的二元硝酸鹽溫度降低,儲存在冷罐中。可知,流入汽輪機的能量或從鏡場直接獲得,或從儲熱部分獲得,或從兩部分同時獲得。

圖:能量流向圖
由圖得到光熱電站中的能量平衡關系如下所示:


光熱電站中,汽輪機流入能量的大小與輸出功率之間的關系如下:

1.3聯合發電系統工作模式
光伏與光熱發電具有天然的互補優勢。光伏發電具有較強的日周期性,只能在白天進行發電,另外發電過程中受光照影響敏感,波動性強。而光熱電站裝機容量較傳統火電廠小,但爬坡靈活性更優,最小經濟出力小,另外又有儲熱裝置起緩沖作用,可充分彌補光伏發電的波動,并且在夜晚時代替光伏繼續發電,以達到光伏光熱聯合發電系統連續平穩發電的目的。光伏光熱聯合發電系統的主要結構如圖3所示。

圖:光伏-光熱聯合發電系統結構
2光伏-光熱聯合系統優化運行
2.1多目標目標函數
光伏光熱聯合系統接入電力系統后,需要進行多目標優化。以太陽能消納為主要目標,優先消納光伏光熱出力,再考慮火電機組的增發來滿足負荷需求。同時也應使聯合系統跟蹤負荷性能最好為第2個優化目標,其中聯合系統跟隨負荷性能以凈負荷波動程度來表示,凈負荷由原有負荷與光伏光熱系統輸出功率差值來表示,波動程度則用平穩性指標來表示,如下所示:




由于該優化問題有多個目標,在此采用min-max標準化方法對第1層的優化目標函數進行處理。具體步驟見文獻,本文不再累述。
2.2約束條件
太陽能光伏光熱協調發電系統并網后要充分考慮其安全性以及可靠性,并滿足以下約束。
2.2.1網絡約束
忽略網絡損耗,網絡上的功率大小應滿足以下約束:

2.2.2光伏電站相關約束
各光伏電站滿足輸出功率約束:

2.2.3光熱電站相關約束
各光熱電站滿足以下約束條件:

2.2.4火電廠相關約束
火電廠滿足以下約束條件:

3算例分析
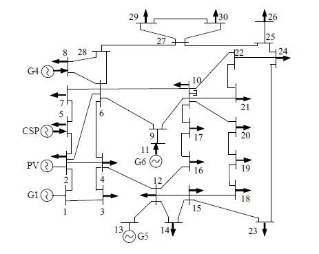
本文采用IEEE30節點系統進行仿真,分析光伏光熱聯合發電系統的優化運行特性以及光伏、光熱并網后電網的運行特性。系統的結構如圖4所示,其中光伏、光熱電站分別代替原有的第2、3號機組。火電機組與光熱電站參數如表1、2所示,其光熱轉換效率以及油水轉換效率等皆包含在光電轉換效率中。典型日負荷曲線如圖5所示,當天的光照強度以及溫度曲線如圖6所示。

圖4:IEEE30節點系統接線圖


圖5:典型日負荷曲線

圖6:典型日光照強度與溫度
在計算過程中,設置光伏、光熱上網效益系數αPV=αCSP=215元/MW;光熱電站汽輪機的內效率、機械效率與發電效率分別取0.9、0.95與0.99;光伏、光熱電站維護成本分別為30、20元/MW;系統備用成本系數為190元/MW;機組初始狀態分別為137、100、50、50MW;光伏容量為70MW。本文利用Yalmip語句建模,通過Cplex求解器對算例進行優化求解。其中運用min-max標準化方法進行處理時,太陽能利用率與凈負荷跟隨權重分別取0.4與0.6。
由于光熱電站的儲熱特性與其靈活的機組特性,使其有很強的調峰特性。圖7為光伏電站與光熱電站的輸出功率曲線,圖8為該典型日中常規機組出力曲線。由圖7可知,該典型日光照良好,光伏與光熱之間具有很好的互補特性,在12:00左右,由于天氣狀態良好,光熱電站將更多的熱量儲存在儲熱裝置中,由光伏電站進行發電,而在15:00左右與20:00之后,由于天氣原因與太陽落山,光熱電站通過儲熱裝置代替光伏發電。
由圖8可知,考慮到出力的波動特性,且有光伏光熱聯合系統的接入,在典型日當天大大緩解了火電機組的深度調峰情況,光伏光熱聯合系統代替了常規機組進行調峰任務。

圖7:典型日光伏-光熱出力曲線

圖8:典型日火電機組出力曲線
圖9所示為光熱電站儲熱裝置的儲、放熱狀態。由圖9可知,光熱電站在正午左右光照條件良好時,在平抑光伏波動的同時進行儲熱,而在晚上以及其他光照強度不高時,通過放出熱量進行發電。若將光熱電站變換成同容量的光伏電站,光伏以及常規機組的出力如圖10所示。
由圖10可知,火電機組出力在12:00左右由于光伏出力的波動性變得陡峭,機組處于頻繁調峰狀態,雖然滿足了各類約束,但加速了常規機組的損耗與成本。

圖9:光熱電站儲熱裝置儲熱、放熱功率

圖10:不含光熱電站光伏、火電最優出力曲線

接入光伏光熱聯合系統與單純接入光伏系統的考慮環境效益的成本如表3所示。由表3可知,同容量的光伏光熱由于其調峰特性,較單光伏相比節約了12.4萬元,經濟性明顯降低。
另外,在太陽能消納方面,光伏光熱聯合系統并入電網時,典型日中太陽能的消納為1618.2MW·h;而同裝機容量的單光伏系統并入電網時,典型日對太陽能的消納為813.3MW·h。可見,光伏光熱聯合系統對太陽能的消納能力較單光伏系統而言提高了近1倍。
4結論
本文以光熱電站根本能量流向為基礎,建立了光熱電站發電模型,又考慮綜合成本,研究了光伏光熱聯合并網的優化運行問題,通過算例得出以下結論:
1)光伏光熱電站具有很好的互補特性,具體表現為白天光熱電站平抑光伏電站的波動性,晚上通過儲熱裝置中的熱量代替光伏電站繼續對太陽能進行消納。
2)光伏光熱聯合系統接入系統后可在一定程度上代替常規機組進行調峰,且比同容量的單光伏接入系統更具經濟性。
